Home About us Our services Products Contacts us
 
page
1 2 3 4 5 6
7  
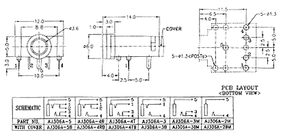
AJ306A-X

PDF download¡G
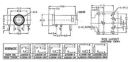
AJ306B-X

PDF download¡G
AJ310-X

PDF download¡G
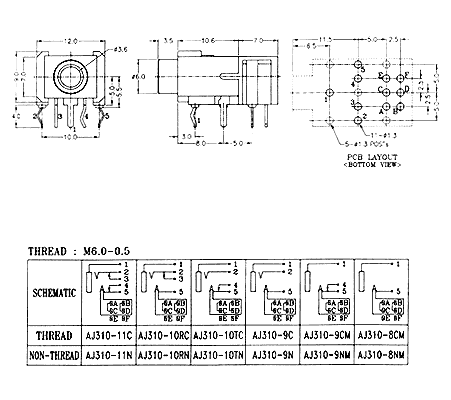
AJ310-X(Switch)

PDF download¡G
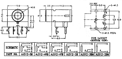
AJ312-X

PDF download¡G
AJ312-XS
 

PDF download¡G
page
1 2 3 4 5 6
7