Home About us Our services Products Contacts us
 
page
1 2  
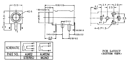
AJ402

PDF download¡G
AJ403-X

PDF download¡G
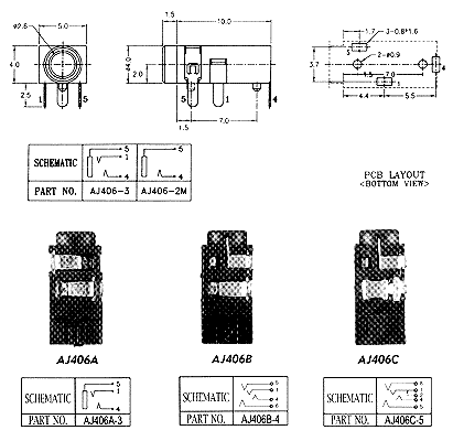
AJ406A-X

PDF download¡G
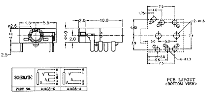
AJ408A-X

PDF download¡G
AJ413A-X
 

PDF download¡G
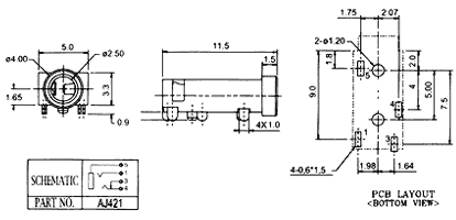
AJ421-X

PDF download¡G
page
1 2